Right Angel 5PIN han og hun Pogo Pin Connector
Fjederbøjlen er en sonde af fjedertypen, der er dannet af de tre væsentlige dele af nålen, nålerøret og fjederen efter at være blevet nittet af et præcisionsinstrument. Det kaldes også en pogopin, pogopin fjederelektrodesøjle, fjederbelastet eller pogopin. Bunden af nålen på fjederbøjlen er normalt en skråstruktur.

Affasningsstrukturens funktion er at sikre, at pogopin holder hånden i kontakt med den indvendige væg af nålerøret, når den arbejder, så strømmen hovedsageligt passerer gennem den guldbelagte nål og nålerøret for at sikre stabilitet og lav impedans af pogopin.

Fjederbøjler bruges generelt i præcisionsforbindelser i elektroniske produkter såsom mobiltelefoner, kommunikation, biler, medicin, rumfart osv.; da fjederbøjlen er en fremragende sonde, kan volumen gøres meget lille, så den kan reducere tilslutningsomkostningerne, når den bruges i præcisionsstik. Reducer vægten af enheden, spar plads, og forskønne produktets udseende (såsom ultratynde mobiltelefoner, smarture, elektroniske cigaretter osv.).

Seks almindelige pogopin stilarter og funktioner:
Fladbundet pogopin: god stabilitet, bunden af nålerøret er fladbundet, let at lodde med PCB-kortet
Plug-in pogopin: Der er en positioneringsstift for enden af nålerøret, og når den er loddet til printkortet, vil der ikke være nogen afvigelse, og positioneringseffekten er god;
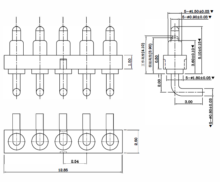
Bøjning af pogopin: halen er bøjet, hvilket giver designere flere valgmuligheder med hensyn til pladsudnyttelse;
Dobbelthovedet pogopin: Designet af dobbelthovedet og dobbeltvirkende gør det muligt for ingeniører at have mere pladsfleksibilitet i board-to-board tovejsforbindelsen
Loddetråd pogopin: egnet til kabelende, let at lodde med ledning
Gevind pogopin: produkter med specielle specifikationer kan opfylde forskellige behov hos kunder.

